
Hệ Châm Hoá Chất (Dosing Pot) Đường Nước Lạnh của Điều Hoà Trung Tâm Chiller
Trong các công trình sử dụng hệ thống điều hoà trung tâm Chiller, việc đảm bảo chất lượng nước lạnh đóng vai trò quan trọng trong duy trì hiệu suất truyền nhiệt, giảm tiêu hao năng lượng và kéo dài tuổi thọ toàn bộ hệ thống HVAC. Một trong những thiết bị không thể thiếu trong đường nước lạnh là hệ châm hoá chất (Dosing Pot).

Dosing Pot cho phép châm hóa chất vào đường ống nước lạnh theo cách an toàn, chính xác và không làm gián đoạn quá trình vận hành. Thiết bị này thường gặp trong các hệ thống chiller của toà nhà văn phòng, trung tâm thương mại, khách sạn, nhà xưởng và các công trình yêu cầu khả năng làm lạnh ổn định. Bài viết dưới đây sẽ giúp bạn hiểu sâu hơn về vai trò, cấu tạo, nguyên lý vận hành và cách Reechem cung cấp giải pháp hoàn chỉnh cho hệ châm hóa chất.
1. Hệ châm hoá chất (Dosing Pot) là gì?
Dosing Pot là một bình áp lực được lắp trên đường nước lạnh của hệ thống Chiller, dùng để châm các loại hoá chất như:
-
Hoá chất ức chế ăn mòn
-
Hoá chất chống cáu cặn
-
Hoá chất xử lý vi sinh (cho hệ kín)
-
Hoá chất tẩy rửa – làm sạch đường ống
Dosing Pot cho phép đưa hoá chất vào hệ thống theo cách an toàn – đúng liều, đảm bảo hóa chất hòa trộn đều trong nước lạnh.

2. Vì sao phải sử dụng Dosing Pot trong hệ nước lạnh Chiller?
2.1. Đảm bảo an toàn khi châm hoá chất
Châm trực tiếp hoá chất vào đường ống đang áp lực cao là rất nguy hiểm. Dosing Pot được thiết kế để chịu áp lực hệ, có van cách ly và đường xả khí đảm bảo an toàn tuyệt đối cho kỹ thuật viên.
2.2. Hoá chất phân tán đều, tăng hiệu quả xử lý
Nhờ nguyên lý hòa trộn theo dòng tuần hoàn, hoá chất được phân bố đồng đều trong toàn bộ hệ thống, giúp đạt hiệu quả ổn định trong kiểm soát cáu cặn, ăn mòn hay vi sinh.
2.3. Tối ưu hóa quá trình bảo trì – vận hành
Kỹ thuật viên dễ dàng đo lượng hoá chất, theo dõi liều lượng và bảo trì định kỳ mà không tác động đến hệ thống chính.

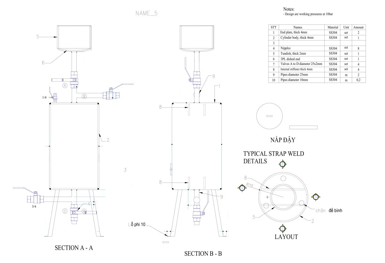
3. Cấu tạo của hệ châm hoá chất (Dosing Pot)
Một bộ Dosing Pot tiêu chuẩn thường bao gồm:
-
Bình áp lực: bằng inox 304, dung tích phổ biến 15–30–50 lít.
-
Van cách ly (Inlet – Outlet): cho phép tách bình ra khỏi đường nước khi cần nạp hoá chất.
-
Van xả khí (Air Vent): thải khí ra ngoài khi nạp hoá chất để tránh tạo áp.
-
Van xả đáy (Drain Valve): xả nước trong bình sau mỗi lần châm.
-
Đường ống kết nối: đảm bảo dòng nước đi vào – đi ra ổn định.
Cấu tạo đơn giản nhưng cực kỳ hiệu quả, phù hợp với tất cả hệ thống nước lạnh kín.

4. Nguyên lý hoạt động của Dosing Pot
Nguyên lý vận hành dựa trên áp suất của đường nước lạnh:
-
Đóng van cách ly và tách Dosing Pot khỏi đường ống.
-
Xả nước trong bình thông qua van đáy.
-
Mở nắp trên và đổ hoá chất vào bình.
-
Khoá van châm, sau đó mở van Inlet để nước lạnh tự động đi vào bình, hòa trộn với hóa chất.
-
Khi bình đạt mức áp lực tương đương với hệ thống, mở van Outlet để đưa hỗn hợp hoá chất vào đường nước lạnh.
Quá trình diễn ra nhẹ nhàng, không gây rung, không tạo bọt và đảm bảo hoá chất pha loãng đúng tỷ lệ.

5. Những hoá chất thường được châm vào hệ nước lạnh thông qua Dosing Pot
5.1. Hoá chất chống cáu cặn đường nước lạnh
Dùng để phòng ngừa kết tủa CaCO₃, MgCO₃ trên ống trao đổi nhiệt.
5.2. Hoá chất chống ăn mòn kim loại
Tạo lớp màng bảo vệ đường ống, bơm, van… tránh oxy hoá và ăn mòn điện hoá.
5.3. Hoá chất chống vi sinh – diệt khuẩn (đối với hệ kín)
Ngăn sự phát triển của vi khuẩn tạo màng nhớt, ngăn nghẹt đường ống và giảm hiệu suất làm lạnh.
5.4. Hoá chất tẩy rửa đường ống – vệ sinh hệ thống
Giúp làm sạch cặn bám, dầu mỡ và chất rắn tích tụ lâu ngày.
6. Ứng dụng của Dosing Pot trong các công trình sử dụng Chiller
-
Toà nhà văn phòng
-
Chung cư, căn hộ cao cấp
-
Trung tâm thương mại
-
Bệnh viện – cơ sở y tế
-
Nhà máy – xưởng công nghiệp
-
Khách sạn – resort
-
Trường học, trung tâm hội nghị
Hầu hết công trình có hệ chiller nước lạnh kín đều sử dụng Dosing Pot để kiểm soát chất lượng nước.

7. Reechem – Đơn vị cung cấp Dosing Pot & hóa chất xử lý nước lạnh trọn gói
7.1. Thiết bị chất lượng – độ bền cao
Reechem cung cấp Dosing Pot thiết kế theo tiêu chuẩn công nghiệp, chịu áp lực cao, tuổi thọ bền, chống ăn mòn vượt trội.
7.2. Hoá chất đồng bộ – tối ưu cho từng hệ thống
Tất cả hoá chất do Reechem cung cấp đều có chứng nhận CO-CQ và tương thích với các loại vật liệu đường ống khác nhau.
7.3. Hỗ trợ kỹ thuật – vận hành tận nơi
-
Khảo sát hệ thống
-
Tư vấn dung tích Dosing Pot phù hợp
-
Hướng dẫn châm hóa chất an toàn
-
Theo dõi chỉ số nước định kỳ
-
Báo cáo tình trạng hệ thống
7.4. Dịch vụ chuyên nghiệp – giá thành cạnh tranh
Reechem tối ưu chi phí đầu tư ban đầu và chi phí hoá chất định kỳ, giúp doanh nghiệp tiết kiệm ngân sách nhưng vẫn đảm bảo hiệu suất làm lạnh cao.

Hệ châm hoá chất (Dosing Pot) là thiết bị nhỏ nhưng có vai trò lớn trong việc duy trì chất lượng nước lạnh và bảo vệ hệ thống điều hoà trung tâm Chiller khỏi cáu cặn, ăn mòn và vi sinh. Lựa chọn đúng thiết bị và hoá chất không chỉ giúp hệ vận hành ổn định mà còn kéo dài tuổi thọ toàn bộ hệ thống HVAC.
Mọi thông tin cần tư vấn quý khách có thể liên hệ với chúng tôi thông qua:
CÔNG TY TNHH REECHEM
Địa chỉ: Tầng 5 tòa nhà Lighthouse, 1254 Xô Viết Nghệ Tĩnh, P.Hòa Cường Nam, Q.Hải Châu, Tp.Đà Nẵng
Điện thoại: 0236 391 88 68 / Hotline (zalo): 0789 086 626
Email: nhat.tv@reechem.com.vn
Website: reechem.com.vn












